全国[切换]

施工图制作

2021-09-13 10:19

来源:点击:17755

施工图是一个工程的一个阶段,工人们都是按照设计师制作的施工图而施工的,那么怎么制作施工图呢?施工图的作用是什么呢?下面给大家介绍一下施工图制作内容。更多装修效果图尽在装修乐http://www.zxl.com/

装修啦小编推荐:

    100平现代简约风格 装修设计案例效果图

    解读美式别墅装修的5个设计要点

    小户型办公室装修设计怎么做?15万120平自由风装修案例风分享

    装修日记:18万全包98平混搭装修,清新设计师的新家

施工图设计

施工图制作

施工图设计为工程设计的一个阶段,在初步设计、技术设计两阶段之后。这一阶段主要通过图纸,把设计者的意图和全部设计结果表达出来,作为施工制作的依据,它是设计和施工工作的桥梁。对于工业项目来说包括建设项目各分部工程的详图和零部件,结构件明细表,以用验收标准方法等。民用工程施工图设计应形成所有专业的设计图纸:含图纸目录,说明和必要的设备、材料表,并按照要求编制工程预算书。施工图设计文件,应满足设备材料采购,非标准设备制作和施工的需要。

施工图制作

作用

施工图设计为工程设计的一个阶段,在技术设计之后,两阶段设计在初步设计之后。这一阶段主要通过图纸,把设计者的意图和全部设计结果表达出来,作为施工制作的依据,它是设计和施工工作的桥梁。对于工业项目来说包括建设项目各分部工程的详图和零部件,结构件明细表,以用验收标准方法等。

内容

施工图制作

工程施工图设计应形成所有专业的设计图纸:含图纸目录,说明和必要的设备、材料表,并按照要求编制工程预算书。施工图设计文件,应满足设备材料采购,非标准设备制作和施工的需要。

施工图深化设计步骤

通过对方案设计、项目分析后,根据效果图方案设计元素结合现场实际尺寸,绘制平面类图纸包括(综合平面布置图、隔墙放线图、天花综合布置图、天花灯具定位图、天花造型定位图、地面综合铺装图、地面尺寸放线图、立面索引图等)。

施工图制作

在做平面的同时,就结合空间关系,深化立面造型轮廓关系反射在平面图纸上,以最大限度精确图纸尺寸精准性,同时水电设计师也会在这个阶段介入工作。通常平面类图纸所耗费工作量较大,平面类图纸做详细精准了,后面的工作也迎刃而解。

施工图制作

平面类图纸完成后交给项目总设计师审核,平面类图纸整体没大问题后,就进入立面图深化设计阶段。在立面图深化过程中去微调整平面的修改意思,实现平面与立面无缝结合。

施工图制作

立面图需要每个空间都绘制施工图,立面顾名思义是表达空间立面关系材料的图纸,为了让后面大样设计工作快速与准确,通常在绘制立面图时就需要把大样的内部关系表达出来。立面图纸完成后应提交给总设计师审图、或者给甲方审图。

施工图制作

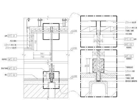
大样剖面阶段所表达的每一个收口、材料交接、造型关系等地方,通过以放大图、剖面图形式表达。把造型的内部结构关系、造型细部尺寸表达清楚。

施工图制作

大样图完成后,就需要把平面类、立面类、大样类图纸进行整合、所有空间图纸交接处审核,这三大类属于整套施工图的三大领域,需要完整准确。配合起来才是一套完整的施工图。

施工图制作

后期工作:门表图绘制、物料书绘制、封面目录制作、施工图设计说明填写等工作。

施工图制作

包括图纸会审、现场技术交底等后期维护工作,以这整个流程称为施工图深化设计。

以上就是给大家介绍的施工图制作的内容。


以上,就是装修乐小编给大家带来的施工图制作全部内容,希望对大家有所帮助!

标签: 设计服务 装修攻略

热门文章

装修公司 更多>>

最新文章 更多>>

免费获取报价

省钱 · 省时 · 省心

今日仅剩100个免费名额

您的信息,我们将严格保密请放心填写

热门标签更多>>

免费报价

免费设计

  • 装修计算器

    今天已经有88位业主获取了装修预算

  • 装修预算报价为75625
    • 材料费 :546464
    • 人工费 :46546
    • 设计费 :1456
    • 质检费 :464123
  • 免费装修设计

    已经有14652人选择

  • *声明 :装修乐为您提供专业、透明、准确的装修报价,该项服务绝不产生任何费用,您的隐私将被严格保密!

  • 提交成功!
  • 稍后装修顾问将来电,免费为您提供装修咨询服务

    如有疑问,可扫码添加客服微信咨询